分析

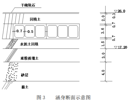
案例题 某立交地涵工程主要由进口控制段、涵身、出口段等部分组成,涵身共有 23 节,每节长 15m,涵身断面如图 3 所示。

涵身地基采用换填水泥土处理,水泥土的水泥掺量为 6%,地基承压含水层承压水位为 23.0m,基坑采用深 井降水。施工采用一次性拦断河床围堰导流。在河道上下游各填筑一道均质土围堰,并安排在一个非汛期(2020 年 9 月~2021 年 5 月)内完成地涵施工。施工布置示意图如图 4 所示。

施工中发生如下事件:
事件 1:根据本工程具体特点,施工单位进场后,对工程施工项目进行了合理安排。工程主要施工项目包 括:①涵身施工;②干砌石河底护底;③排水清淤;④土方回填;⑤井点降水;⑥围堰填筑;⑦基坑开挖。
事件 2:根据工程施工需要,施工单位在施工现场布置了生活区、钢筋加工厂、混凝土拌合站、油库、木 工加工厂、零配件仓库等生产生活设施,如图所示。
事件 3:本工程项目划分为一个单位工程,30 个分部工程。第 3 段涵身分部工程共有 56 个单元工程,其中 26 个为重要隐蔽单元工程;56 个单元工程质量全部合格,其中 43 个单元工程质量优良(21 个为重要隐蔽单元 工程);该分部工程的其他质量评定内容均符合优良标准的规定。
事件 4:本工程于 2021 年 9 月 16 日通过了合同工程完工验收,并颁发合同工程完工证书;本工程 2022 年 12 月 8 日通过了竣工验收,项目法人于 2022 年 12 月 20 日向该合同承包商退还了履约担保和质量保证金。
问题:
1.指出事件 1 中主要施工项目的合理施工顺序(用工作编号表示)。
2.指出事件 1 中涉及施工安全的最主要的两项工程施工项目。
3.根据事件 2,指出图 4 中 A、B、C、D、E 对应的生产生活设施名称。
4.根据事件 3,评定第 3 段涵身分部工程的质量等级,并说明理由。
5.根据《水利水电工程标准施工招标文件》(2009 年版),改正事件 4 中项目法人退还履约担保和质量保证金的不妥之处。

正确答案
1.合理施工顺序:⑥③⑤⑦①④②。

2.井点降水(主要考虑降水过程中边坡的安全稳定);基坑开挖(主要考虑到防止塌方、滑坡)。

3.A 是木工加工厂,B 是油库,C 是混凝土拌合站,D 是零配件仓库,E 是生活区。

4.涵身分部工程的质量等级为合格。
理由:单元工程全部合格,重要隐藏单元工程为 26 个,21 个优良,重要隐蔽单元工程优良率没有达到 90%的优良等级,故评定为合格。

5.不妥之处:项目法人于 2022 年 12 月 20 日向该合同承包商退还了履约担保和质量保证金不妥。
改正:(1)履约担保退还:发包人应在合同工程完工证书颁发后 28 天内将履约担保退还给承包人。
(2)质量保证金退还:工程质量保修期满后 30 个工作日内,发包人应向承包人颁发工程质量保修责任终止证书,并退还剩余的质量保证金,但保修责任范围内的质量缺陷未处理完成的应除外。
查看解析

相关试题

单选
安管人员证书有期届满需申请延续的,经安全生产教育培训合格,连续3年内每年度不少于( )个学时。
A 8 B 12 C 32 D 36
查看
单选
“采取联营合作形式承包,其中一方将其全部工程交由联营另一方施工”的情形属于( )。
A 转包 B 违法分包 C 出借借用资质 D 其他违法行为
查看
单选
某工程施工期混凝土高峰月浇筑强度为28000m3/月,每月天数按24d计,每天工作小时按20h计,如小时不均匀系数取1.2,则该工程的混凝土拌合系统的规模定型为
A 小型 B 中型 C 大型 D 特大型
查看
单选
( )在工程开工前,应按规定向水利工程质量监督机构办理工程质量监督手续。
A 总监理工程师 B 设计单位 C 项目法人 D 施工单位
查看
单选
水利水电工程施工导流建筑物级别最高是( )级。
A 1 B 2 C 3 D 4
查看
单选
根据《构建水利安全生产风险管理“六项机制"》的实施意见(水监管(2022)309号)不属于“六项机制”的是( )
A 风险转移 B 风险预修 C 风险查找 D 风险防范
查看
单选
根据《水利工程设计概估算编制规定(工程部分)》(水总[2014]429号),钢筋采购及保管费费率为( )。
A 2.2% B 2.75% C 3% D 3.3%
查看
单选
非黏性土土料碾压试验时不需要对( )进行控制。
A 铺土厚度 B 压实遍数 C 含水量 D 干密度
查看
单选
石灰根据其化学组成属于( )胶凝材料。
A 有机水硬性 B 有机气硬性 C 无机水硬性 D 无机气硬性
查看
单选
施工期间围堰水平位移监测可采用( )。
A 活动觇牌法 B 水准观测法 C 交会法 D 光电测距法
查看
刷题小程序
水利水电工程管理与实务题库小程序