首页
考研
最新考研题库
中外美术史23新版
建筑类
二级建造师
一级建造师
一级造价工程师
监理工程师
安全工程师
一级消防工程师
消防设施操作员
医学类
主治类
执业药师
护师(初级)资格证考试
主管护师(中级)资格证考试
护士资格证考试
医师类
中药学类
金融类
基金从业资格
银行从业资格
证券从业资格
期货从业资格
银行招聘考试
财会类
初级经济师
中级经济师
初级会计师
中级会计师
注册会计师
税务师
资产评估师
教师类
中学教师笔试
小学教师笔试
幼儿教师笔试
幼儿结构化面试
幼儿专业面试
中小学结构化面试
学历提升
成考(专升本)
成考(高起本、高起专)
自考
网校课程
登录
注册好礼
我的主页
我的提问
我的回答
退出
当前位置:
首页
>
建设工程造价管理
>
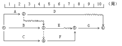
某工程时标网络图如下图所示。计划执行到第5周末检查实际进度。发现D工作尚需3周完成,E工作尚需1周完成,F工作刚刚开始。
多选
某工程时标网络图如下图所示。计划执行到第5周末检查实际进度。发现D工作尚需3周完成,E工作尚需1周完成,F工作刚刚开始。由此可以判断出( )。
A B.C工作均已完成
B D工程按计划进行
C E工作提前1周
D F工作进度不影响总工期
E 总工期将延长1周
F
正确答案
ABE
查看解析
搜索
相关试题
单选
由于代理型合同是建设单位与分包单位直接签订,因此采用( )的合同形式。
A 固定单价 B 可调总价 C GMP加酬金 D 简单的成本加酬金
查看
单选
某工程采用合作体承包模式,当合作体中的某一家公司倒闭,则其他成员单位( )。
A 不承担项目合同的经济责任 B 按份承担项目合同的经济责任 C 任何一家均承担项目合同的所有经济责任 D 承担连带责任
查看
单选
下列不属于工程项目财务评价参数的是( )。
A 基准收益率 B 项目收益率 C 计算期 D 财务评价判断参数
查看
单选
下列关于投资收益率的表述中正确的是( )。
A 用投资收益率进行方案评价时,方案可行的条件是投资收益率非负 B 鉴于投资收益率主观随意性比较强,以投资收益率指标作为主要的决策依据不太可靠 C 总投资收益率是项目达到设计生产能力后正常年份的年净利润与项目总投资的比值 D 资本金净利润率是项目达到设计生产能力后正常年份年息税前利润与项目资本金的比值
查看
单选
流水步距的数目取决于参加流水的施工过程数。如果施工过程数为n个,则流水步距的总数为( )。
A n-1 B n C n+1 D 无法确定
查看
单选
关于评标的说明中正确的是( )。
A 评标委员会由7人以上单数组成 B 对于特殊招标项目,评标委员会专家可以由招标人直接指定 C 评标委员会必须评选出最佳投标人 D 评标委员会可以自行确定中标人
查看
单选
下列流水施工参数中,均属于时间参数的是( )。
A 流水节拍和流水步距 B 流水步距和流水强度 C 流水强度和流水段 D 流水段和工作面
查看
单选
在下列融资方式中,需组建SPV进行运作的融资方式是( )。
A BOT方式和ABS方式 B ABS方式和PFI方式 C BOT方式和TOT方式 D ABS方式和TOT方式
查看
单选
下列控制措施中,属于工程项目目标被动控制措施的是( )。
A 制定实施计划时,考虑影响目标实现和计划实施的不利因素 B 识别和揭示影响目标实现和计划实施的潜在风险因素 C 制定必要的备用方案,以应对可能出现的影响目标实现的情况 D 跟踪目标实施情况,发现目标偏离时及时采取纠偏措施
查看
单选
下列对于工程项目策划描述错误的是( )。
A 工程项目策划可分为总体策划和局部策划两种 B 工程项目总体策划是在项目立项决策过程中所进行的全面策划 C 工程项目局部策划可以是专业性问题的策划 D 局部策划必须在工程项目前期策划决策阶段进行
查看
刷题小程序
热门试卷
2022年一级造价工程师考试《建设工程造价管理》预习卷
2021年一级造价工程师考试《建设工程造价管理》密训卷
2021年一级造价工程师考试《建设工程造价管理》冲刺卷(二)
2021年一级造价工程师考试《建设工程造价管理》冲刺卷(一)
2021年一级造价工程师考试《建设工程造价管理》模拟卷(二)
2021年一级造价工程师考试《建设工程造价管理》模拟卷(一)
2022年一级造价工程师考试《建设工程造价管理》模拟卷(一)
一级造价工程师《建设工程造价管理》模拟卷一
一级造价工程师《建设工程造价管理》模拟卷二
一级造价工程师《建设工程造价管理》模拟卷三
一级造价工程师《建设工程造价管理》模拟卷四
一级造价工程师《建设工程造价管理》模拟卷五
一级造价工程师《建设工程造价管理》模拟卷六
一级造价工程师《建设工程造价管理》模拟卷七
一级造价工程师《建设工程造价管理》模拟卷八